•  0
    • Unbeatable prices
    • OE and Aftermarket parts
    • Click & Collect
    • Fast Delivery within UAE
    Unbeatable prices OE and Aftermarket parts Click & Collect Fast Delivery within UAE
    VIN Number
    i
    Manufacturer
    Step 1:

    Click here to select a manufacturer

    Model
    Step 2:

    Click here to select a model

    Version
    Step 3:

    Click here to select a Version

    Product number: 0986479C92 | EAN: 4047025571104
    Properties
    Alles weergeven
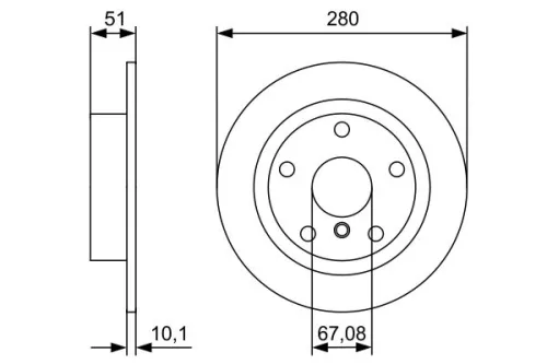
    Height (mm) 50.5
    Outer diameter (mm) 280
    Brake disc type solid
    Brake disc thickness (mm) 10
    Num. of holes 5
    Bolt hole circle Ø (mm) 112
    Min. thickness (mm) 8.4
    Surface coated
    Centering diameter (mm) 67
    Fulfils ece standard ece-r90
    Machining high-carbon
    Drill Ø, up to (mm) 16.6

    Brake Disc

    AED 157,50 Price incl. vat. 5%

    Your last viewed products (22)
    Applicability / OE numbers
    Manufacturer Model Version Engine code Construction type Construction start Construction end Pk Power kw
    BMW BMW
    MINI MINI
    Usage numbers
    BD2413
    E1 90R-02C0355/0255

    A brake disc (also called a brake rotor) is a key component of the disc braking system. It rotates with the wheel and is clamped by the brake pads through the brake caliper when the brake pedal is pressed. The resulting friction converts kinetic energy into heat, slowing down or stopping the vehicle efficiently. High-quality discs ensure stable braking, heat dissipation, and long-lasting performance.


    There are several types, each designed for specific driving conditions:

    • Solid Discs: Standard design, used in front or rear of smaller vehicles.

    • Vented Discs: Feature internal cooling channels for better heat dissipation.

    • Drilled or Slotted Discs: Provide improved cooling, cleaning, and wet-weather performance (ideal for performance or heavy-duty use).
      Always match the type to your vehicle’s original specifications.


    Common symptoms include:

    • Vibration or pulsation in the brake pedal or steering wheel when braking

    • Squealing or grinding noise

    • Blue discoloration or scoring marks on the disc surface

    • Reduced braking efficiency or longer stopping distance

    • Uneven pad wear or grooved surface
      If any signs appear, have your discs inspected and measured — replacement is usually required if disc thickness is below the minimum limit.


    To ensure compatibility, confirm the following details:

    • OEM or Part Number

    • Vehicle make, model, year, and engine size

    • Axle position (front or rear)

    • Disc dimensions (diameter, thickness, height, center bore)

    • Type: solid, vented, drilled, or slotted
      If you’re unsure, share your VIN or chassis number with us — our team will verify the correct fitment.


    Yes, it’s highly recommended to replace brake pads along with brake discs. Old pads can cause uneven wear or reduced friction on new discs. Replacing both ensures optimal braking performance, smooth bedding-in, and longer component lifespan. Always perform proper run-in (bedding) procedure after installation.


    Yes. Our brake discs are manufactured to OEM standards using high-carbon or cast-iron materials for maximum strength and thermal stability. Each disc undergoes balancing, hardness, and runout testing to ensure vibration-free and consistent braking. All discs come with a manufacturer’s warranty and are suitable for professional workshop installation.


    Alternative products (6)
    EAN code
    Productnumber 08.35.209
    Brand TRUCKTEC AUTOMOTIVE

    In stock

    Price incl. vat.AED 73,50
    EAN code 4054224041055
    Productnumber 104105
    Brand FEBI BILSTEIN
    Price incl. vat.AED 155,40
    EAN code 3322938315504
    Productnumber DF6756
    Brand TRW
    Price incl. vat.AED 157,50
    EAN code 5050063269086
    Productnumber ADB114324
    Brand BLUE PRINT
    Price incl. vat.AED 137,55
    EAN code 4040074275443
    Productnumber 3155230062/PD
    Brand MEYLE
    Price incl. vat.AED 148,05
    EAN code 4006633427111
    Productnumber 24.0110-0401.1
    Brand ATE
    Price incl. vat.AED 186,90

    Brake Disc

    BOSCH

    Partxl proudly delivers the most extensive range of Bosch automotive products across the GCC region. As a trusted supplier for garages, wholesalers, and car enthusiasts, we stock both original equipment (OE) and high-quality aftermarket Bosch parts to meet all your vehicle maintenance and repair needs. Whether you're looking for Bosch fuel injectors, sensors, spark plugs, filters, braking systems, alternators, or diagnostic tools, Partxl has you covered with one of the widest selections available.

    Thanks to our central warehouse located in Al Quoz 3, Dubai, and a strong network of suppliers, we ensure fast, reliable delivery—same-day or next-day across the UAE and within 3 days to the wider GCC. Our clients benefit from a seamless shopping experience, advanced part search options by VIN, engine code, or OEM number, and expert support to find the perfect fit for any vehicle. Whether you're servicing European, Asian, or American vehicles, trust Partxl to deliver Bosch quality with speed and precision.